中國粉體網訊 PBAT是一種芳香族脂肪族共聚酯,由1,4-丁二醇與己二酸和對苯二甲酸共聚合(縮合反應)而成。由于其具有低密度、良好的抗拉性、抗沖擊性和隔水性等優良性能,因此在農業地膜、包裝、衛生醫藥等領域得到廣泛應用。
業內人士表示,PBAT目前仍是世界公認的綜合性能最好的全生物可降解材料,是生物降解塑料用途最廣泛的品種。
又一公司產出PBAT優等品
5月5日,宇新股份(002986)發布關于控股子公司年產6萬噸全生物降解塑料PBAT項目產出合格產品的公告。據悉,該項目已于2023年3月13日取得《危險化學品建設項目試生產(使用)方案備案回執》,進入試生產階段后,經過對裝置相關設備的安裝和調試、技術工藝參數的優化和調整,現已產出各項指標均達到優等品標準的產品。

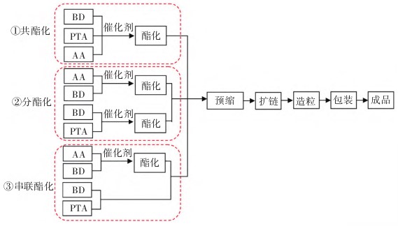
據粉體網編輯了解,該項目采用直接酯化法(酯化—聚合工藝)進行樹脂生產,酯化及縮聚轉化率約為99%,工藝水平十分先進。

PBAT直接酯化法生產流程
據介紹,該項目的順利投產是宇新股份邁向可降解塑料領域的第一步,為其進入該領域打下了良好的基礎,未來宇新股份將著力于產品改性及可降解塑料新產品的研發,生產比現有產品質量更好、價格接近普通塑料的可降解塑料產品,助力于可降解塑料產品的推廣和應用。
國內PBAT生產情況
國外最大的PBAT供應商是德國BASF和意大利Novamont,分別擁有7.4萬噸和10萬噸的產能。中國的新疆藍山屯河和金發科技公司的技術也較為成熟,分別擁有12萬噸和18萬噸的產能。此外,長鴻高科12萬噸生產線于2022年9月正式投產,東華天業10萬噸生產線于2022年6月試車成功。
國內已投產企業產能一覽表 單位:萬t/年

國內PBAT發展迅速,特別是自“禁塑令”頒布后,各企業紛紛布局可降解材料。公開信息顯示,截至2022年9月,國內產能約100萬噸,擬擴建產能約1468萬噸,其中在建產能約802萬噸。隨著“禁塑令”的實施,PBAT的產能將迎來“井噴式”增長。
國內PBAT新建企業產能一覽表 單位:萬t/年

國內PBAT新建企業產能一覽表 續表

根據已公布的產能規劃,預計到2025年產能將擴大到1000萬噸以上。從PBAT在塑料袋、快遞包裝、一次性餐具、農用地膜、紡織纖維五大應用領域的滲透率及占比來看,預計到2025年需求量約450萬噸,產能的利用率不足50%。
降解PBAT的角質酶TfCut被發現
近日,湖北大學教授郭瑞庭團隊和武漢大學教授劉映樂,利用結構生物學和酶學技術,發現角質酶可以高效降解多聚物PBAT,同時闡明了相關催化機制。該研究近日發表于《自然-通訊》。
論文通訊作者郭瑞庭表示,一直以來,生物酶法綠色降解塑料是塑料污染問題的最佳方案。然而,PBAT塑料具有規則的晶體狀分子結構,聚合物纖維排列非常緊密,尋找能夠“咀嚼”PBAT的降解酶非常困難。
為了解決上述難題,郭瑞庭團隊通過大規模篩選,終于發現一種用于降解PBAT地膜塑料的角質酶TfCut。這種酶可以在兩天內將PBAT地膜快速分解成大碎片、小顆粒,直至完全消失。
研究人員進一步對PBAT降解過程中間物進行分離和鑒定,他們主要發現了3種中間產物——BTa、ABTa和TaBTa(Ta=TPA),以及終產物TPA。觀察這4種中間產物的變化發現,ABTa和TaBTa會在8小時左右達到最高值,然后逐漸下降直至消失。48小時后,反應產物主要是TPA和BTa。
“PBAT降解產物有多種可能,但是角質酶TfCut降解PBAT過程中卻只出現了這4種產物且都是以TPA為末端,因此我們推測TfCut角質酶降解PBAT可能存在一種獨特機制。”論文通訊作者、湖北大學教授陳純琪說。
值得注意的是,TPA本身作為合成PBAT的原料之一,來自原油。受供需關系影響,近年原油價格持續走高,PBAT生產成本大幅上漲,產業鏈條下游波動較大,造成不確定性增加。論文通訊作者劉映樂說,如果可以將PBAT降解產物歸攏到TPA上,重新回收并用于合成PBAT或其他多聚物,就可以實現PBAT循環利用,大大減少原油消耗,這具有良好的產業應用價值。
結語
相信在未來幾年內,隨著工藝方法的深入研究,有望發展得到一系列綜合性能比較優良、制造成本低的新型PBAT制品,逐漸取代一些傳統塑料的使用,助力經濟可持續健康發展。
參考來源:
鄧海英,等:生物降解材料PBAT的發展現狀,廣東中湛融合科技研究有限公司
宇新股份、中國科學報等
(中國粉體網編輯整理/昧光)
注:圖片非商業用途,存在侵權告知刪除!


















