
昆山強迪粉碎設備有限公司
8 年
白金會員
白金會員
已認證
撥打電話
獲取底價
提交后,商家將派代表為您專人服務

昆山強迪粉碎設備有限公司
白金會員
已認證
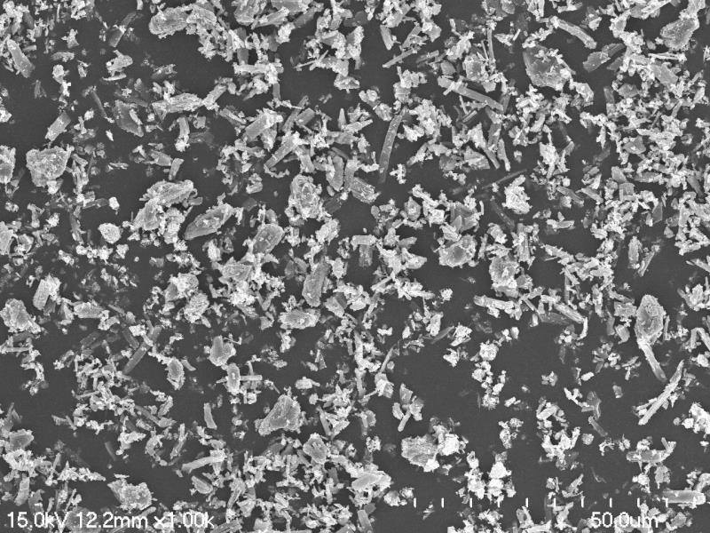
如何解決顆粒的團聚問題?特別是納米材料干燥后的團聚問題?這個問題經常有朋友問我。
團聚與分散是顆粒(尤其是細粒、超細粒子)在介質中兩個方向相反的行為。在氣相或液相中,顆粒由于相互作用力而形成聚合狀態稱為團聚;顆粒彼此互不相干,能自由運動的狀態稱為分散。現實生產中,液相中的納米粉體經過干燥后,易團聚成微米級、甚至毫米線假性顆粒,這時,用氣流粉碎分級設備是干法解聚的最佳方式,下圖是我公司的一個客戶納米粉體解聚前后的對比電徑圖(1、3為解聚前,2、4為解聚后),有類似問題的親們可聯系我一起探討。




最新動態
更多
虛擬號將在 秒后失效
使用微信掃碼撥號