
復納科學儀器(上海)有限公司
金牌會員
已認證

復納科學儀器(上海)有限公司
金牌會員
已認證
春夏之際,又到了一年一度的貓(狗)毛“采摘”的季節。你有沒有想過,為什么這時候毛孩子們開始瘋狂掉毛了呢?貓毛和狗毛的結構是一樣的嗎?這胡須怎么就不掉呢?
趁著鏟屎官們家里毛發紛飛,小編帶著疑問,收集了兩只小可愛不同身體部位的毛發,使用飛納臺式掃描電鏡觀察毛發的微觀結構,并做了 2 組小實驗,以解開這心中的困惑。

志愿貓咪:英短藍白 志愿狗狗:中華田園犬
實驗一 為什么掉毛季的貓咪和狗狗會瘋狂掉毛呢?
為了找到這個問題的答案,小編取貓咪和狗狗背部濃密的絨毛和直毛作為研究對象,制樣時選擇毛發的中部,直接放入飛納臺式掃描電鏡中進行觀測(均未噴金處理)。
首先,考考各位鏟屎官,下面這張 SEM 圖片顯示的是貓毛還是狗毛?

你猜對了嗎?讓我們根據掃描電鏡的結果來分析寵物掉毛的原因。

貓咪的背部彎曲絨毛 (白色) 狗狗的背部彎曲絨毛

貓咪的背部細直毛 (灰色) 狗狗的背部直毛
不管是絨毛還是直毛,貓毛和狗毛毛鱗片的微觀結構在細節上還是有明顯的不同,所以通過毛鱗片的結構,可以進行動物種類的初步區分(小編偷偷告訴你,通過毛發的毛鱗片形態分析還可以為偵破案件提供重要線索。
言歸正傳,小編仔細觀察這些微觀結構,會發現一個共同點,毛發表面毛鱗片結構與毛干間具有剝離間隙,像是在毛干周圍分布一些枝干一樣。
這種結構對于貓咪和狗狗意味著什么呢?于是小編查閱了相關資料,果然,在一篇《動物毛發的形態結構及其功能特性研究》的文章中,描述了這種結構的功能特性是保溫性!哦,小編恍然大悟,原來較大的空隙可以儲存空氣,減緩空氣流動速度,使得熱交換的速度降低。怪不得貓咪和狗狗在冬天不穿羽絨服也不會覺得冷呢!不過這小小的毛鱗片有這么大的保溫功效嗎?

小編又查閱相關資料,發現起保溫功能的還有一個重要的結構,那就是毛發內部的髓質。

· 鱗片:位于最外層,由多層扁平角化細胞組成,主要起到保護毛發纖維的作用;
· 皮質:位居中層,對毛的彈性和韌性起決定性作用;
· 髓質:位于毛纖維中心,由排列疏松的髓細胞構成,疏松的髓細胞使髓腔內可容納固定空氣,起到一定的保溫作用。
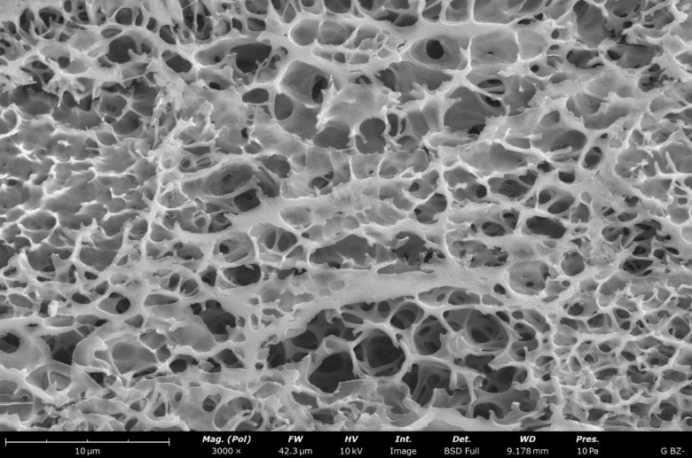
于是小編切開毛發,觀察了狗的背部直毛斷面結構,SEM 圖可以清晰看到,毛發的同心結構確實是由外層鱗片、中層皮質以及中心髓質三個部分組成,并且放大后的髓質層 SEM 圖可以看出,其結構疏松多孔,確實很有利于空氣的留存呀。

狗的背部直毛斷面 狗的背部直毛斷面髓質層
那到這里,小編總算是搞明白了,原來臨近升溫時,貓咪和狗狗身披“皮草”,覺得太熱了。不管是毛鱗片還是髓質,到了溫暖時節,不需要它們發揮保溫的功能了,所以它們脫掉一些絨毛以適應炎熱的天氣,這也就是為什么到了春夏,毛孩子們就容易掉毛的原因哦。
實驗二 胡須為什么不掉呢?
據小編多年的養寵經驗,這胡須可是貓咪和狗狗的重要感知和捕獵“武器”。從肉眼上看,胡須是比其它毛發都要粗一些,這功能不同,微觀結構會不會有也有所不同呢?同樣在掉毛季,這胡須怎么不掉呢?
于是小編忍痛剪下了狗狗的一小節胡須,觀測了狗狗胡須斷面的微觀結構,并和背部直毛的斷面進行對比。一經對比,真相也更進一步了。

背部直毛斷面 胡須斷面
和背部直毛的斷面結構進行對比,胡須斷面的中心的髓質直徑占比小。相對的,皮質的直徑占比是最大的。上面毛發結構中對皮質功能的描述是這樣的:位居中層,對毛的彈性和韌性起決定性作用。從胡須的結構看,髓質少,皮質多,所以胡須的主要功能不是保溫,而是感知。因此溫度升高也不會掉,也不能掉,建議不要去修剪寵物的胡須哦。
這就說得通了,據小編了解,狗狗的感知空間氣流或者空氣變化時,胡須就會顫動,因為胡須深入的皮膚里面,根部充滿了神經末梢,因此具有觸覺受器的功能。這也是為什么貓咪和狗狗可以在黑暗中閃避障礙物的重要原因。這胡須每天都會頻繁地顫動,確實就需要具有很好的彈性和韌性,怪不得皮質層的直徑占比那么大呢!
以上就是貓咪和狗狗毛發的實驗結果啦,希望能幫助大家更加了解萌寵們,與此同時也可以獲得一些關于毛發結構的小知識哦。
有興趣的讀者還可以思考一下,我們平常保暖使用的羊毛羊絨在形貌結構上會有什么特征,相對于貓咪和狗狗,它們毛纖維的髓質層是占比更高還是會更低呢?留言區告訴小編哦。
相關產品
更多
相關文章
更多
技術文章
2025-10-24技術文章
2025-10-22技術文章
2025-10-21技術文章
2025-09-24
虛擬號將在 秒后失效
使用微信掃碼撥號