
復納科學儀器(上海)有限公司
金牌會員
已認證

復納科學儀器(上海)有限公司
金牌會員
已認證
掃描電鏡樣品飄移的原因和解決方法
掃描電鏡(SEM)作為材料微觀形貌分析的一種手段,被廣泛應用到多種領域。相信大家做掃描電鏡(SEM)分析時會遇到樣品飄移的問題,如果樣品飄移現象比較嚴重,無法獲得高清圖片,會影響分析結果的準確性。小編總結了一些引起樣品飄移的原因及解決方法,希望可以幫助到大家。
引起樣品飄移的原因有以下幾方面:
樣品固定不牢固
樣品導電性較差
樣品未完全干燥
樣品熱穩定性差
外界環境
下面讓我們一起來看看,如果在實際操作中遇到樣品飄移問題,應當如何應對和解決。
Part One.
樣品固定不牢固引起的飄移

如動畫所示,如果塊體樣品沒有固定牢固,會向一個方向持續飄移,影響圖片拍攝和能譜分析。
在 掃描電鏡 樣品制備前,應根據樣品類型選擇合適的導電膠和樣品固定方法。
1 針對塊體樣品
粘貼固定面如果比較平整,可以選擇平面碳導電膠,并適當按壓使樣品和導電膠粘合充分,注意不要破壞和污染需要觀察的位置。如果塊體樣品沒有平整的面用于固定,可以選擇液體導電膠,先將液體導電膠涂在樣品臺上,把樣品放在液體導電膠上,充分干燥后即可。
2 針對粉末樣品
可以選擇平整度較高的鋁基材雙面碳導電膠粘貼樣品,并用壓縮氣體對樣品進行吹掃,將未粘貼牢固的顆粒吹掉。雙面碳導電膠具有粘性且較軟,受到掃描電鏡視野內電子束的輻照,碳膠會發生一定的收縮,導致粉末顆粒發生飄移。如圖 1 所示,在圖片采集過程中,四周的顆粒發生明顯的飄移,導致周圍圖像相對于中間更模糊。對于以上現象,可以適當的縮短圖像采集時間,也可以等待一段時間,待導電膠無明顯收縮時再采集高清圖片。

圖1:圖片采集過程導電膠發生收縮,圖片四周顆粒較為模糊(左圖);快速采集圖像,樣品飄移不明顯,圖像清晰(右圖)。
當粉末顆粒小于 200nm 時,顆粒容易陷入導電膠中,可將樣品分散到合適的溶劑中,超聲分散后滴到硅片上并充分干燥。這樣的樣品制備過程,一方面顆粒不會陷入導電膠中影響觀察;另一方面,硅片強度較高,可以很好的解決樣品飄移問題。
3 針對需要觀察截面的樣品
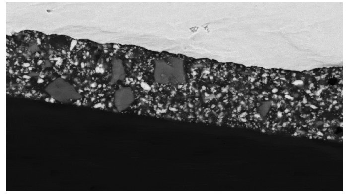
尤其是一些厚度較薄,例如紙張、薄膜等,樣品截面位置不要高出樣品臺太多,盡量控制在 1mm 內,這樣可以大大改善樣品飄移的情況,必要時可以在樣品外表面再固定一層導電膠,如圖 2 所示。

圖2:截面樣品高出樣品臺過多,容易造成樣品飄移(左圖);截面樣品與樣品臺高度差在 1mm 內,外面有導電膠固定(右圖)。
Part Two.
樣品導電性較差引起的樣品飄移
對于導電性較差的樣品,觀察過程中存在明顯的抖動和飄移,且飄移方向不固定,樣品部分位置會出現明顯荷電發白的現象。因為導電性差引起的飄移,需要通過改善樣品導電性來解決,利用離子濺射儀濺鍍導電層可以明顯改善飄移現象,同時也提高樣品成像質量。
對于塊狀樣品,離子濺射儀只能在樣品上表面形成導電層,無法在側面形成有效導電層,因此可以在樣品臺和樣品上表面間搭一條導電膠,形成“樣品上表面-導電膠-樣品臺”電子導通回路。金屬鑲嵌的樣品同樣可以在金屬樣品和樣品臺之間貼導電膠作為電子通路,能有效改善鑲嵌樣品飄移問題。如圖 3 所示。

圖3:塊狀樣品(左圖);鑲嵌樣品(右圖)。
對于無法通過濺鍍導電層的樣品,可選擇低真空模式對樣品進行觀察,同樣可以解決不導電樣品飄移問題。當然也可以通過降低加速電壓和電子束束流,減輕樣品樣品荷電及其飄移現象。
Part Three.
樣品未完全干燥導致的樣品飄移
掃描電鏡樣品腔室為真空環境,測試樣品需要干燥無水、無易揮發溶劑。如果樣品未充分干燥,在測試過程中,水分不斷揮發會引起樣品收縮或飄移。值得注意的是水分或有機溶劑揮發會損傷和污染電鏡,建議樣品測試前必須進行充分干燥。
Part Four.
樣品熱穩定性差引起的樣品飄移
當電子束對樣品區域進行掃描時,電子束與樣品相互作用會使掃描區域溫度升高,尤其是高分子材料,其導電導熱性較差,熱穩定性低,往往會在電子束的掃描下發生飄移。針對這種情況,可以適當降低加速電壓和電子束束流,也可以通過縮短圖片采集時間來縮短樣品飄移量。
Part Five.
外界環境導致的樣品飄移
外界環境的震動和噪聲會導致樣品發生震動和飄移。因此掃描電鏡盡可能放置在穩固的地面或桌面上,遠離振動源和噪聲源。
綜上所述,掃描電鏡樣品飄移是一個普遍存在的問題,且難以完全消除,可以通過找到飄移的原因,盡可能減輕樣品飄移對掃描電鏡圖像分析帶來的影響。
如果您在使用掃描電鏡的過程中,遇到相關問題,歡迎聯系我們進行交流:400 857 8882
最新動態
更多
虛擬號將在 秒后失效
使用微信掃碼撥號