
步琦實驗室設備貿易(上海)有限公司

已認證
步琦實驗室設備貿易(上海)有限公司
已認證
R-300 配件選購指南
BUCHI 旋轉蒸發儀 R-300 滿足旋轉蒸發在便捷性和多功能性方面的最高要求。其模塊化設計允許將其擴展成一個全集成系統,在該系統中一個中央界面調節每個組件。R-300 在眾多領域都能根據配置展開不同的應用,讓我們看看皮實耐用的它有哪些配件可以選擇吧!
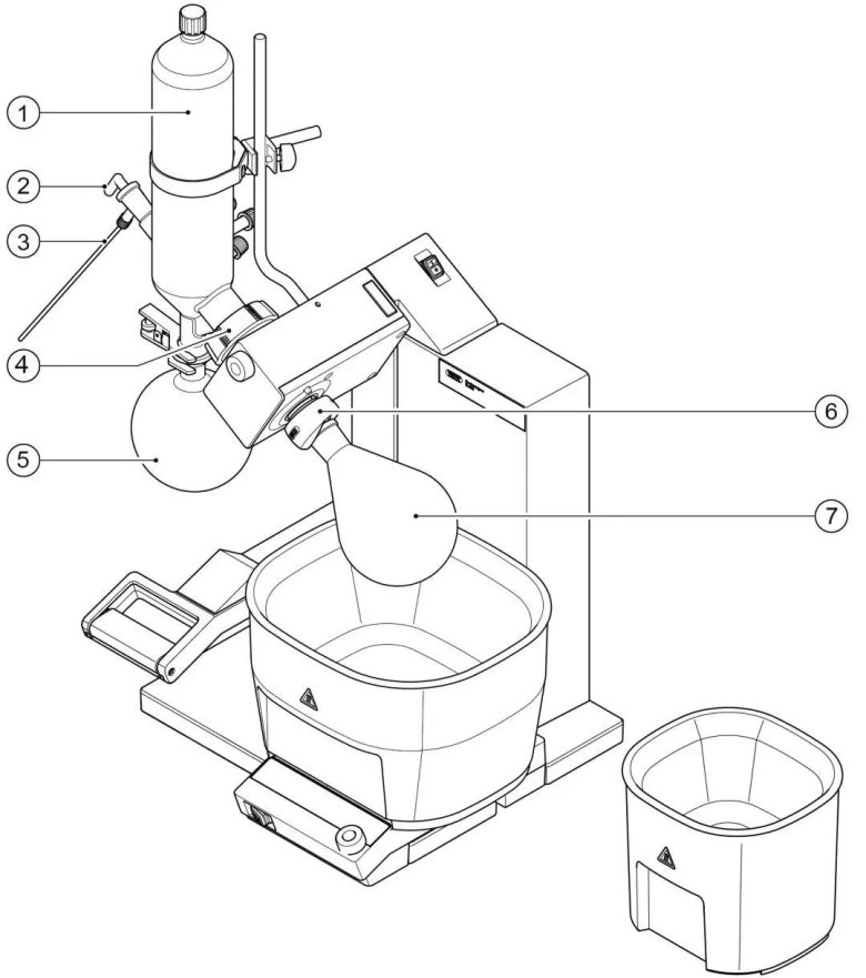
R-300 常用配件
貨號 | ||
1 | 11059368* | V型冷凝器 |
040627* | ||
3 | 11063244* | Tygon 管 ? 6.4/12.7mm |
11062387* | ||
5 | 000426* | 2000ml 接受瓶 |
11059770* | ||
7 | 000431* 000432* 000433* 000434* 000435* 000436* 000437* 046573* | 50ml 梨形蒸發瓶 100ml 梨形蒸發瓶 250ml 梨形蒸發瓶 500ml 梨形蒸發瓶 1000ml 梨形蒸發瓶 2000ml 梨形蒸發瓶 3000ml 梨形蒸發瓶 5000ml 蒸發瓶 |
以上配件均可通過線下渠道購買,
帶 * 號為瑞士步琦淘寶官方店鋪有售,
復制并搜索貨號即可找到相應配件哦!
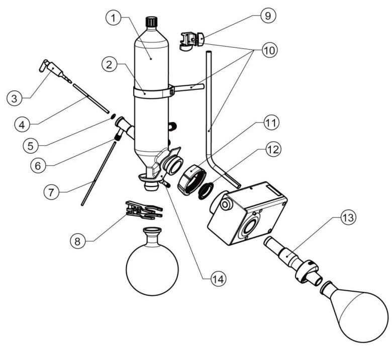
冷凝器
貨號 | ||
1 | 11059368* 11059369 | V型冷凝器 V型冷凝器 P+G |
032013 | ||
3 | 040627* | 進樣器 |
000646 | ||
5 | 040625 | PTFE 排水盤, ?5.1/14 mm |
023875 023900 | ||
7 | 028096 | PTFE 管, ?3/4 mm |
003275* | ||
9 | 027344 | 十字套 |
048180 | ||
11 | 11062387* | 法蘭大螺母蓋 |
11069167* | ||
13 | 11062186* | 帶卡扣的玻璃蒸汽導管 29/32(短) |
11061985 |
以上配件均可通過線下渠道購買,
帶 * 號為瑞士步琦淘寶官方店鋪有售,
復制并搜索貨號即可找到相應配件哦!
購買渠道
掃一掃
淘寶官方店鋪|瑞士步琦
撥打聯系電話:
400 - 880 - 8720
選擇
“配件購買”
瑞士步琦期待您的選購!
長按上方二維碼聯系我們
或撥打聯系電話:
400 - 880 - 8720
微信公眾號
步琦智慧實驗室
淘寶官方旗艦店
瑞士步琦
最新動態
更多
虛擬號將在 秒后失效
使用微信掃碼撥號