中國粉體網訊 近日,駐馬店市生態環境局驛城分局對河南協鑫硅基新材料公司3萬噸/年高純度石英硅料項目(電子級)環評受理情況進行了公示。項目總投資70000萬元,建設3 萬噸/年高純石英硅料(電子級),其中為檢驗產品質量,項目設置有石英坩堝試驗線。

項目產品方案
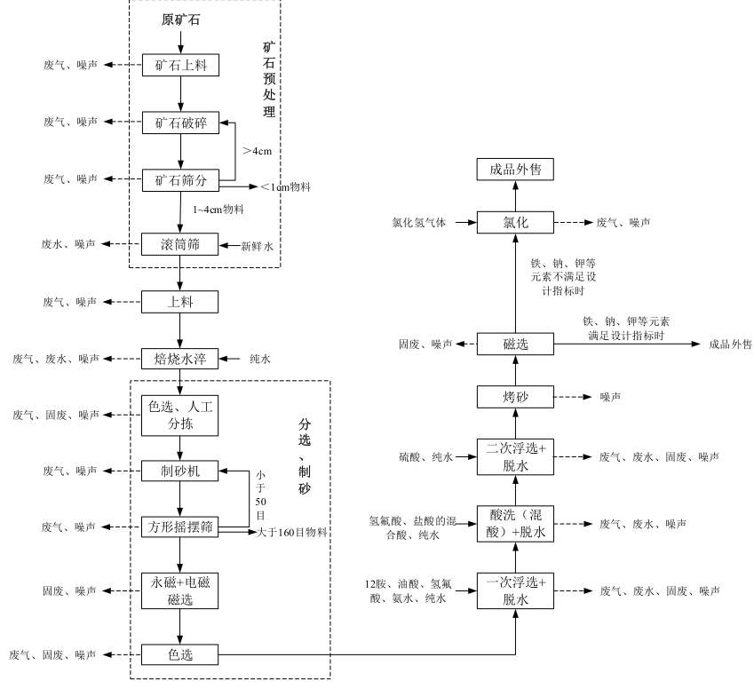
項目廠房內設置原料暫存區、礦石預處理區及石英坩堝試驗線,成品暫存庫、檢驗室、電磁磁選、高溫氯化區、烤砂區、純水制備、儲罐區、酸洗區、浮選區、焙燒水淬及制砂、篩分區等,其中,高純石英硅料(電子級)生產工藝流程為礦石上料、礦石破碎、礦石篩分等預處理工序、焙燒水淬、分選、制砂、除雜、一次浮選、酸洗、二次浮選、烤砂、電磁磁選和氯化包裝等。

項目生產工藝流程
項目石英坩堝試驗線采用電弧法生產工藝。電弧法制石英坩堝主要原理為在真空環境內電極起電弧產生高溫對石英進行熔制而得到純凈的石英坩堝制品。本項目設置的石英坩堝試驗線目的為對生產的高純石英砂產品質量進行驗證,通過制作坩堝觀測高純石英砂透明層、黑點、氣泡、絮狀物等質量情況。
半導體行業是高純石英砂應用較為廣泛的領域,且對高純石英砂的品質要求極高。高純石英制品是半導體制造過程中重要的耗材。在半導體行業中,以高純石英砂為原料的石英坩堝是用于直拉法生產單晶硅的輔助性耗材,高純石英砂是石英坩堝核心原材料,其純度顯著影響拉晶效果。另外,半導體制造過程中所用的石英環、石英舟、石英管、石英棒、石英錠、石英鐘罩等石英制品,同樣需要以高純石英砂為原材料進行制備。
其中,行業標準SJ/T3328-2016電子產品用高純石英砂標準中規定了電子產品的技術條件、分析方法通則、灼燒矢量的測定、二氧化硅的測定、鐵的測定、銅的測定、鉻的測定、鋁的測定以及鉛的測定。標準適用于電子產品用高純石英砂,可用于制造半導體石英器件的管、棒、塊、板、片以及坩堝等器件,標準規定粒徑應在70μm~350μm,二氧化硅含量和雜質元素含量應該符合下列圖表(表1,表2)中要求。


據悉,河南協鑫硅基新材料有限公司成立于2024年1月18日,位于河南駐馬店市驛城區,是協鑫集團旗下子公司,協鑫集團是一家在碳達峰、碳中和目標引領下,以風光儲氫氨醇等多種形式的新能源、清潔能源與可再生能源為主體的綠色低碳科技企業,是成功攻克電子級硅料卡脖子技術,系統掌握集成電路專用高純電子級多晶硅制備技術,且規模大、市占率高的電子級多晶硅生產企業。在12英寸大硅片、大晶圓領域,協鑫具備進口替代技術能級,是少數的“中國芯”原材料制造商之一。
參考來源:
駐馬店市驛城區人民政府、協鑫集團官網
行業標準SJ/T3328-2016電子產品用高純石英砂
蔣雪松.高純石英砂制備及浮選機理研究
(中國粉體網編輯整理/初末)
注:圖片非商業用途,存在侵權告知刪除!

















