
元能科技(廈門)有限公司
金牌會員
已認證
集流體作為鋰離子電池內部導通電子和承載活性物質的載體,對電芯的最終性能有著重要作用。鋁箔是最常用的正極集流體,為了提升電極的倍率、循環和使用壽命,在鋁箔表面涂布一些導電涂層,可有效改善集流體與活性顆粒的界面接觸電阻,且提高活性物質與集流體的粘結強度,減小電極循環過程中的活性顆粒剝落問題。涂炭鋁箔的涂層一般通常包括導電炭黑、石墨烯、碳納米管等,涂炭層的配方、涂層厚度、涂布均勻度等也會影響底涂效果1。
本文采用極片電阻測試方法,比對不同配方和不同涂布厚度的涂炭鋁箔的電阻差異,分析其底涂極片的均勻性。

圖1.涂炭集流體對電芯性能的影響示意圖1
1、實驗設備和測試方法
1.1 實驗設備:極片電阻儀,型號BER1300(IEST元能科技),電極直徑14mm,可施加壓強5~60MPa。設備如圖2(a)和(b)所示。
圖2. (a)BER1300外觀圖;(b)BER1300結構圖
1.2 待測樣品:三種配方的底涂材料,兩種不同厚度的涂炭鋁箔,空鋁箔、涂炭鋁箔與涂敷活性材料后的極片。
1.3 測試方法:將待測極片樣品剪切成約5cm×10cm的長方形尺寸,放置于樣品臺上,在MRMS軟件上設置測試壓強、保壓時間等參數,開始測試,軟件自動讀取極片厚度、電阻、電阻率、電導率等數據。
2、數據分析
對不同配方的涂炭鋁箔進行測試,空鋁箔的厚度均為10μm,兩種涂炭層的厚度分別為7μm和4μm,測試的極片電阻如圖3(a)和(b)所示,可發現不同配方的涂炭鋁箔的電阻相差很大,可從幾十mΩ~幾十Ω,且從單張極片的不同位置的電阻均勻上看,不同工藝的涂炭鋁箔的均勻性也有很大差異,如4μm-R(Ω)-1和7μm-R(Ω)-1這兩個涂炭鋁箔的電阻箱線圖較寬,說明不同位置的電阻均勻性較差,這與涂層太薄,有可能出現漏涂或者炭材料分布不均有關1。
分析圖3(c)中的數據可看出,空鋁箔的導電性最好,當增加了涂炭層和活性材料后,采用兩探針原理測試出的極片電阻率均逐漸增大,這說明涂層的加入,會引入顆粒之間的接觸電阻,使得電子的導電性減弱。雖然一般認為在鋁箔表面增加涂炭層后會提升電極的導電性,這主要是由于涂炭層增加了鋁箔的表面粗糙度,使活性材料顆粒與集流體的接觸更好,但若涂層的厚度較厚或者涂布均勻性太差,也會影響活性材料涂層電極的導電均勻性。



圖3. (a)涂炭層厚度為4μm的箔材電阻
(b)涂炭層厚度為4μm的箔材電阻
(c)三種不同狀態的電極電阻率

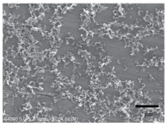
圖4.涂炭黑鋁箔的表面形貌示意圖1
總之,活性材料和金屬集流體之間增加有效的中間層,其作用除了改善界面接觸電阻,還具有以下幾點潛在的協同效益:
(1) 化學和電化學穩定的導電層可以作為一種有效的擴散屏障,阻止由于電解質分解和/或鋰離子嵌入反應過程中副反應產生的氧的擴散,有效地防止金屬集流體表面上形成氧化層,從而防止降解;
(2) 合理配方的導電層具有較好的導電性,可以形成大面積的接觸,集流體和活性涂層界面電阻低,從而有利于快速的電荷轉移過程;
(3) 導電層的柔韌性和機械緩沖性可以增強物理界面的附著力,從而最大限度地減少長期循環反應過程中界面處產生的應力引起的接觸面積逐漸喪失而產生的相關問題。通過設計和開發獨特的導電涂層,實驗證明了導電界面層可以顯著提高電化學性能,例如比可逆容量、容量保持率、倍率性能等。
3、總結
涂炭鋁箔是目前逐漸被各類電池廠家選擇使用的一種正極集流體,對涂炭鋁箔不同配方、工藝的評估也對集流體的開發有著重要作用。通過測試涂炭鋁箔的電阻參數,可以幫助評估配方和工藝的差異,同時能夠幫助鋰電研發人員監控底涂工藝的穩定性。
4、參考文獻
1.Busson, C, Blin, M.A., Guichard, P., Soudan, P., Crosnier, O., Guyomard, D., & Lestriez, B. (2018). A primed current collector for high performance carbon-coated LiFePO4 electrodes with no carbon additive. Journal of Power Sources, 406, 7-17.
2.陳鵬, 任寧, 姬學敏, 等. 涂炭鋁箔在石墨/磷酸鐵鋰電池中的應用研究[J]. 新能源進展, 2017, 5(2): 157-162.
3.李敏,等.涂碳鋁箔對磷酸鐵鋰電池性能的影響[J]. 儲能科學與技術,2020,9(6),1714-1719.
相關產品
更多
相關文章
更多
技術文章
2025-10-21技術文章
2025-10-15技術文章
2025-09-17技術文章
2025-09-09
虛擬號將在 秒后失效
使用微信掃碼撥號